Siri KZ8 Motor servo tork tinggi
Pemilihan meterai aci boleh menjadikan tahap perlindungan motor servo tork yang tinggi mencapai IP66 - semburan air yang benar -benar debu dan kuat.
Penggunaan dawai enamel yang diimport tinggi, digabungkan dengan proses kimpalan yang unik, penggulungan mawar sebenar dihasilkan tanpa solder untuk memastikan kebolehpercayaan penggunaan jangka panjang.
Ciri terbesar siri KZ8 ialah bebibir boleh bersesuaian dengan produk Jepun dan boleh digunakan sebagai pengganti berkualiti tinggi untuk motor Jepun. Dengan pelbagai kelajuan dan kuasa, motor servo ini adalah pilihan pertama untuk aplikasi kawalan gerakan perindustrian.
Ciri-ciri:
◗ Prestasi tinggi, tork tinggi dan kelajuan tinggi
◗ Sampah, padat dan kukuh
◗ boleh digabungkan dengan pemacu servo pelbagai fungsi lanjutan
◗ Menyediakan kuasa tinggi dan kawalan gerakan yang tepat
Parameter Motor Servo:

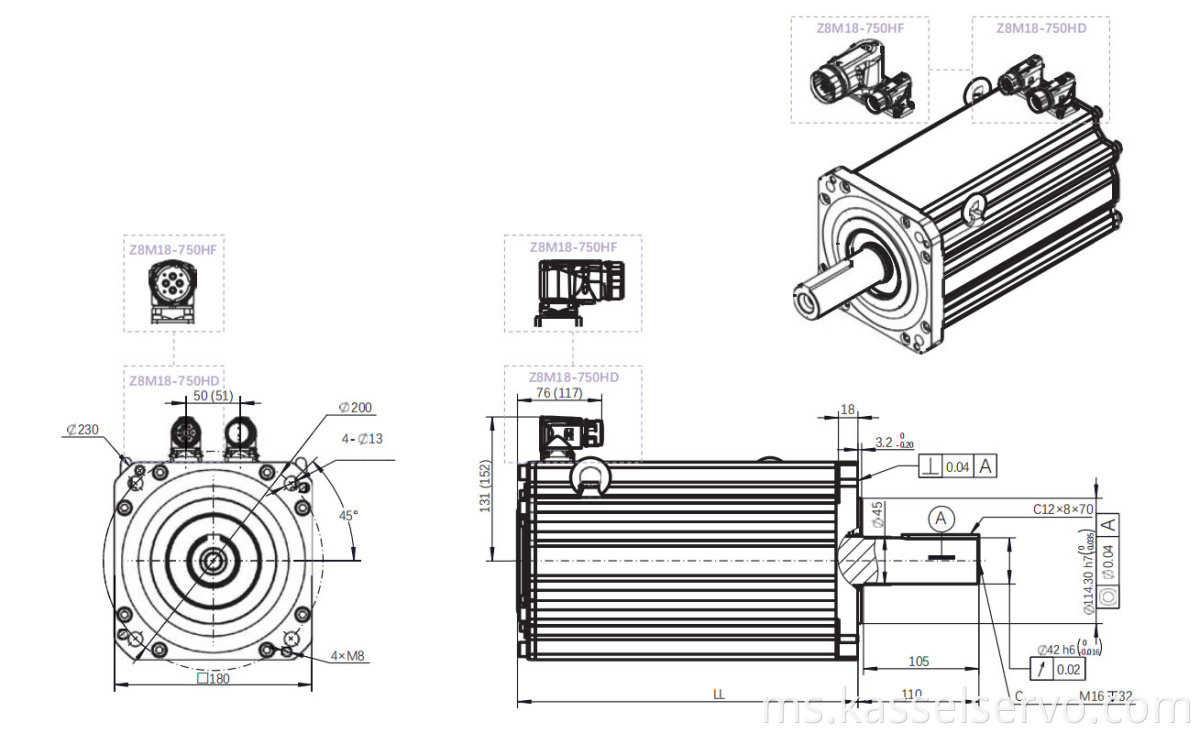
Lukisan Teknikal:
